Welcome to Feihong Semiconductor official website, pure domestic IGBT e-mail: feihongbcok@gmail.com

FHP840/FHF840

Release time:2017-05-23 11:04:22

Industry generic name:TK8A50D, 9N50, IRF840Wait

View Specifications >
  • The 840 is an N-channel enhanced high voltage power field effect transistor. The product is widely used in 300W inverter post-stage circuit, DC-AC power converter, DC-DC power converter, high-voltage H-bridge PMW motor drive.

Obtain free product samples

Your salutation:
Contact Information:
Product sample:

Product Parameters

Part Number Polarity Package Vgs(±V) VTH(V) ID(A) BVdss(V) Rds(on)(Ω)
Model Polarity Encapsulation form Vgs=10v
(typ)
Vgs=10v
(max)
FHP840/FHF840
N
TO-220/TO-220F
30
2-4
9
500
-
0.8

Product Details

【Product Description】


Feihong 840 is an N-channel enhancement mode high voltage power MOSFET. This product is widely used in 300W inverter rear-end circuits, DC-AC power converters, DC-DC power converters, and high voltage H-bridge PWM motor drivers.It is comparable to other MOSFET brands/models: TK8A50D, 9N50, IRF840;



【Product Features】


FHP840/FHF840, 9A, 500V, RDS(on) = 0.8Ω(max) @VGS = 10 V, fast switching with low charge and reverse transfer capacitance, large chip, and overload impact resistance;



【Product Parameters】


Model

Polarity

Package

PIN

Vgs(±V)

VTH(V)

ID(A)

BVdss(V)

Rdson[Ω](max)

Type

Polarity

Package Form

Pin Arrangement

Vgs=10V

840

N

TO-220/

TO-220F

GDS

30

2-4

9

500

0.8


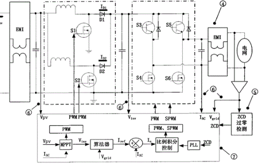
【Application Examples】


Hot Tags: Domestic FHP230N06VFHP230N06V domestic MOS tubeSubstitute IPP030N10N3GCS160N06 | HY3906P | IRFB7537PBF

FHP840/FHF840Product Application Articles

Why choose Feihong

omni-directionalmarketing service system,15+YearFAEExperience technical support

Feihong Semiconductor focuses on R & D and production of power devices

MOS FET/IGBT Single Tube/Diode/Triode

Free sample:feihongbcok@gmail.com

WeChat sweep, direct communication!

Plane MOSFET Product Application Articlesmore>

Related Product recommend

  • FHP3773W/FHF3773W/FHA3773W

    Free sample
    Join List
  • FHP25N40W/FHA25N40W

    Free sample
    Join List
  • FHP15N10D

    Free sample
    Join List
  • FHA40N60W

    Free sample
    Join List
  • FHP10N50W/FHF10N50W/FHD10N50W

    Free sample
    Join List
  • FHP150N04A

    Free sample
    Join List
  • FHP5N65C/FHF5N65C

    Free sample
    Join List
  • FHP80N07G/FHS80N07G/FHD80N07G

    Free sample
    Join List
  • FHP8N60W/FHF8N60W

    Free sample
    Join List
  • FHA24N60W

    Free sample
    Join List
  • FHP18N25W/FHF18N25W

    Free sample
    Join List
    • Feihong Semiconductor has provided one-stop MOS tube solutions for enterprises in the field of 10000 electronics. | e-mail : feihongbcok@gmail.com
      Feihong Semiconductor has provided one-stop MOS tube solutions for enterprises in the field of 10000 electronics. 关闭

      put it away

      Click to apply
      Free sample