Welcome to Feihong Semiconductor official website, pure domestic IGBT e-mail: feihongbcok@gmail.com

FHP20N50B/FHF20N50B/FHA20N50B

Release time:2017-05-23 10:47:06

Industry generic name:IRFP460, 2SK2837Wait

View Specifications >
  • 20N50 is an N-channel enhanced high-voltage power field effect transistor. This product is widely used in DC-AC power converter, DC-DC power converter, high voltage H bridge PMW motor drive, inverter (1000W)/switching power supply/welding machine.

Obtain free product samples

Your salutation:
Contact Information:
Product sample:

Product Parameters

Part Number Polarity Package Vgs(±V) VTH(V) ID(A) BVdss(V) Rds(on)(Ω)
Model Polarity Encapsulation form Vgs=10v
(typ)
Vgs=10v
(max)
FHP20N50B/FHF20N50B/FHA20N50B
N
TO-220 TO-220F TO-3PN/247
30
2~4
20
500
0.23
0.28

Product Details


【Product Description】

FHP20N50/FHF20N50, is an N-channel enhancement mode high voltage power MOSFET. This product is widely used in DC-AC power converters, DC-DC power converters, high voltage H-bridge PWM motor drivers, inverters (1000W)/switching power supplies/welding machines.Compared with other MOSFET brands and models:IRFP460, 2SK2837;


【Product Features】

Feihong 20N50, 20A, 500V, RDS(on) = 0.3Ω(max) @VGS = 10 V low charge, low reverse transfer capacitance, fast switching speed, low on-resistance, good impact resistance characteristics.



【Application Examples】


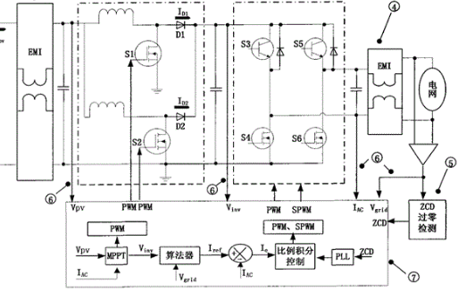
FHP20N50 application     20N50 audio specific

Hot Tags: Domestic FHP230N06VFHP230N06V domestic MOS tubeSubstitute IXFK94N50P2Substitute IPP030N10N3G

prev:

FHP20N40W

next:

FHA24N50W

back

FHP20N50B/FHF20N50B/FHA20N50BProduct Application Articles

Why choose Feihong

omni-directionalmarketing service system,15+YearFAEExperience technical support

Feihong Semiconductor focuses on R & D and production of power devices

MOS FET/IGBT Single Tube/Diode/Triode

Free sample:feihongbcok@gmail.com

WeChat sweep, direct communication!

Plane MOSFET Product Application Articlesmore>

Related Product recommend

  • FHP80N07G/FHS80N07G/FHD80N07G

    Free sample
    Join List
  • FHP10N70W/FHF10N70W

    Free sample
    Join List
  • FHP3205C/FHD3205C

    Free sample
    Join List
  • FHP80N07L1

    Free sample
    Join List
  • FHF10N80D/FHA10N80D

    Free sample
    Join List
  • FHP30N30W/FHF30N30W/FHA30N30W

    Free sample
    Join List
  • FHP10N50W/FHF10N50W/FHD10N50W

    Free sample
    Join List
  • FHP3773W/FHF3773W/FHA3773W

    Free sample
    Join List
  • FHA60R075AF

    Free sample
    Join List
  • FHA60R099AF

    Free sample
    Join List
  • FHP15N10D

    Free sample
    Join List
    • Feihong Semiconductor has provided one-stop MOS tube solutions for enterprises in the field of 10000 electronics. | e-mail : feihongbcok@gmail.com
      Feihong Semiconductor has provided one-stop MOS tube solutions for enterprises in the field of 10000 electronics. 关闭

      put it away

      Click to apply
      Free sample