【FHF3N150A/FHA3N150A】
VDMOS MOSFET
【FHF3N150A/FHA3N150AProduct Description】
N-channel enhancement-mode VDMOS, ID=3A , BVDSS=1500V , RDSON:5Ω-typ, 6.5Ω-max, TO-247 package outline
Market reference model: 2SK1317, other brands' 3N150
【FHF3N150A/FHA3N150AProduct Features】
Low on-resistance, high dv/dt capability, 100% EAS test (strong impact resistance), 100% DVDS thermal resistance test (good heat dissipation performance), 100% Rg test, high reliability (meets industrial-grade reliability requirements).
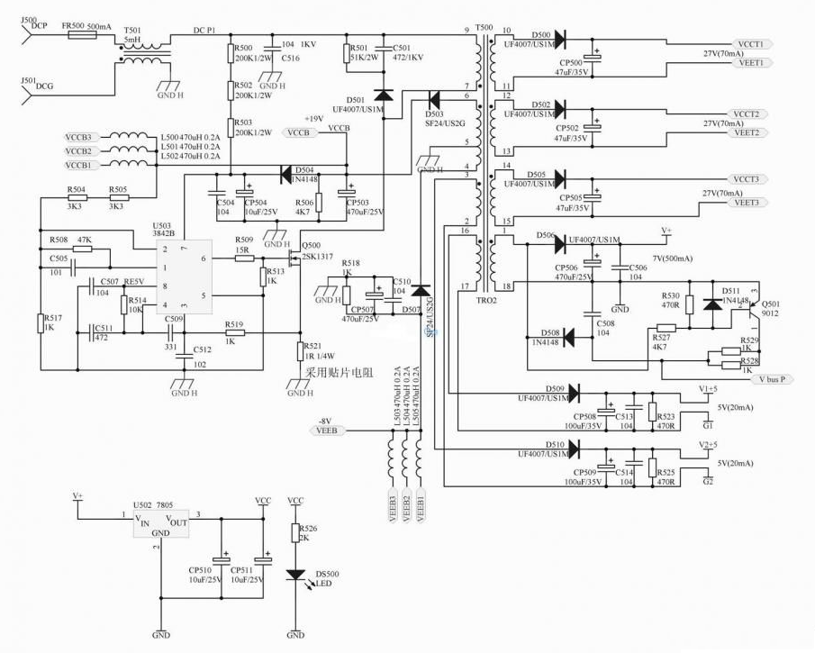
【FHF3N150A/FHA3N150AApplication Examples】
An auxiliary power supply with AC 380V input
Terminals such as various frequency converters, welding machines, UPS, smart meters, etc., require both positive and negative auxiliary power supplies.
