Welcome to Feihong Semiconductor official website, pure domestic IGBT e-mail: feihongbcok@gmail.com

FHP830C/FHD830C

Release time:2017-05-23 11:03:00

Industry generic name:5N50, IRF830BWait

View Specifications >
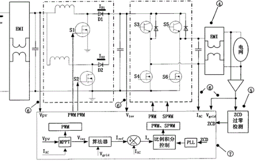
  • The 830 is an N-channel enhanced high voltage power field effect transistor. The product is widely used in DC-AC power converter, DC-DC power converter, high voltage H bridge PMW motor drive, 150W inverter after the circuit.

Obtain free product samples

Your salutation:
Contact Information:
Product sample:

Product Parameters

Part Number Polarity Package Vgs(±V) VTH(V) ID(A) BVdss(V) Rds(on)(Ω)
Model Polarity Encapsulation form Vgs=10v
(typ)
Vgs=10v
(max)
FHP830C/FHD830C
N
TO-220 TO-252
30
2~4
5
500
1.51
1.6

Product Details


【Product Description】


Feihong 830 is an N-channel enhancement mode high voltage power MOSFET. This product is widely used in DC-AC power converters, DC-DC power converters, high voltage H-bridge PWM motor drivers, and the rear stage circuits of 150W inverters.Comparable to other MOSFET brands/models:5N50, IRF830B;



【Product Features】


FHP830/FHF830, 5A, 500V, RDS(on) = 1.5Ω (max) @ VGS = 10V, low charge, low reverse transfer capacitance, fast switching speed, low on-resistance.



【Product Parameters】


Model

Polarity

Package

PIN

Vgs(±V)

VTH(V)

ID(A)

BVdss(V)

Rdson[Ω](max)

Model

Polarity

Package Type

Pin Arrangement

Vgs=10V

830

N

TO-220/

TO-220F/

TO-251/

TO-252

GDS

30

2-4

5

500

1.5


【Application Examples】


830 pin diagram

Hot Tags: Domestic FHP230N06VFHP230N06V domestic MOS tubeSubstitute IPP030N10N3GCS160N06 | HY3906P | IRFB7537PBF

prev:

FHP740W

next:

FHP840/FHF840

back

FHP830C/FHD830CProduct Application Articles

Why choose Feihong

omni-directionalmarketing service system,15+YearFAEExperience technical support

Feihong Semiconductor focuses on R & D and production of power devices

MOS FET/IGBT Single Tube/Diode/Triode

Free sample:feihongbcok@gmail.com

WeChat sweep, direct communication!

Plane MOSFET Product Application Articlesmore>

Related Product recommend

  • FHP12N60D/FHF12N60D

    Free sample
    Join List
  • FHU70N03C/FHD70N03C

    Free sample
    Join List
  • FHF18N50C

    Free sample
    Join List
  • FHA064NA

    Free sample
    Join List
  • FHP40N25W/FHF40N25W/FHA40N25W

    Free sample
    Join List
  • FHP180N08V

    Free sample
    Join List
  • FHP10N50W/FHF10N50W/FHD10N50W

    Free sample
    Join List
  • FHD120N03B

    Free sample
    Join List
  • FHA260W

    Free sample
    Join List
  • FHP8N60W/FHF8N60W

    Free sample
    Join List
  • FHA250W

    Free sample
    Join List
  • FHP100N08B/FHD100N08B

    Free sample
    Join List
  • FHP18N25W/FHF18N25W

    Free sample
    Join List
    • Feihong Semiconductor has provided one-stop MOS tube solutions for enterprises in the field of 10000 electronics. | e-mail : feihongbcok@gmail.com
      Feihong Semiconductor has provided one-stop MOS tube solutions for enterprises in the field of 10000 electronics. 关闭

      put it away

      Click to apply
      Free sample