Welcome to Feihong Semiconductor official website, pure domestic IGBT e-mail: feihongbcok@gmail.com

FHP65R190AF/FHF65R190AF/FHA65R190AF

Release time:2019-10-17 17:35:50

Industry generic name:IPA60R280CFD7Wait

View Specifications >
  • Feihong 65R190,N-channel Cool-MOS tube, mainly used in switching power supply. Other MOS tube brand alternative models: IPA60R280CFD7, etc.

Obtain free product samples

Your salutation:
Contact Information:
Product sample:

Product Parameters

Part Number Polarity Package PIN Vgs(±V) VTH(V) ID(A) BVdss(V) Rds(on)(Ω) With FRD Diode
Model Polarity Encapsulation form Foot arrangement Vgs=10v
(typ)
Vgs=10v
(max)
FHP65R190AF/FHF65R190AF/FHA65R190AF
N
TO-220 TO-220F TO-3PN/TO-247
GDS
30
2~4
20
650
160
190
Yes

Product Details

【Product Introduction】

Feihong 65R190, N-channel Cool-MOS transistor, mainly used in switch power supplies. Other MOS tube brand alternative models: IPA60R280CFD7, etc.


【Product Features】

FHP65R190A/FHF65R190A, low on-state resistance, low switching loss.






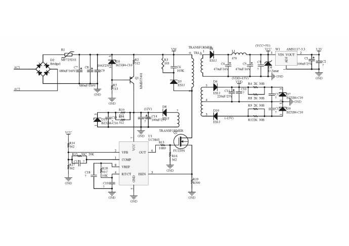
【Application Examples】


65R190A pin diagram


【Product Advantages】 

High reliability, good consistency

Hot Tags: CS160N06 | HY3906P | IRFB7537PBFDomestic FHP230N06VSubstitute HY3906P modelHY3906P model parameters

FHP65R190AF/FHF65R190AF/FHA65R190AFProduct Application Articles

Why choose Feihong

omni-directionalmarketing service system,15+YearFAEExperience technical support

Feihong Semiconductor focuses on R & D and production of power devices

MOS FET/IGBT Single Tube/Diode/Triode

Free sample:feihongbcok@gmail.com

WeChat sweep, direct communication!

Super junction MOSFET Product Application Articlesmore>
Common Circuit Solutionsmore>

Related Product recommend

  • FHP12N60D/FHF12N60D

    Free sample
    Join List
  • FHA064NA

    Free sample
    Join List
  • FHP10N50W/FHF10N50W/FHD10N50W

    Free sample
    Join List
  • FHA50N25W

    Free sample
    Join List
  • FHP12N65D/FHF12N65D

    Free sample
    Join List
  • FHP30N30W/FHF30N30W/FHA30N30W

    Free sample
    Join List
  • FHP540E/FHD540E

    Free sample
    Join List
  • FHF18N50C

    Free sample
    Join List
  • FHP540C/FHD540C

    Free sample
    Join List
  • FHA50N50W

    Free sample
    Join List
  • FHA40N65W

    Free sample
    Join List
  • FHP20N60W/FHF20N60W/FHA20N60W

    Free sample
    Join List
    • Feihong Semiconductor has provided one-stop MOS tube solutions for enterprises in the field of 10000 electronics. | e-mail : feihongbcok@gmail.com
      Feihong Semiconductor has provided one-stop MOS tube solutions for enterprises in the field of 10000 electronics. 关闭

      put it away

      Click to apply
      Free sample