Welcome to Feihong Semiconductor official website, pure domestic IGBT e-mail: feihongbcok@gmail.com

FHP4410

Release time:2017-05-22 17:49:15

Industry generic name:IRFB4410, 10H16Wait

View Specifications >
  • Feihong 4410,N-channel trench process MOS tube, suitable for 72V/24-30 tube electric vehicle controller circuit. Alternative field effect tube: IRFB4410, 10H16

Obtain free product samples

Your salutation:
Contact Information:
Product sample:

Product Parameters

Part Number Polarity Package Vgs(±V) VTH(V) ID(A) BVdss(V) Rds(on)(Ω)
Model Polarity Encapsulation form Vgs=10v
(typ)
Vgs=10v
(max)

Product Details

【Feihong 4410 Product Description】

Feihong 4410, an N-channel trench process MOSFET, is suitable for 72V/24-30 tube electric vehicle controller circuits.Alternative models from other brands: IRFB4410, 10H16;


Feihong 4410 Product Features】

Low on-resistance, good overcurrent capability.


Feihong 4410 Product Parameters】


Model

Polarity

Package

PIN

Vgs(±V)

VTH(V)

ID(A)

BVdss(V)

Rds(on)[mΩ](typ)

Rds(on)[mΩ](max)

Model

Polarity

Package Form

Pin Arrangement

Vgs=10V

Vgs=10V

4410

N

TO-220

GDS

25

2-4

140

100

5.7

7.2


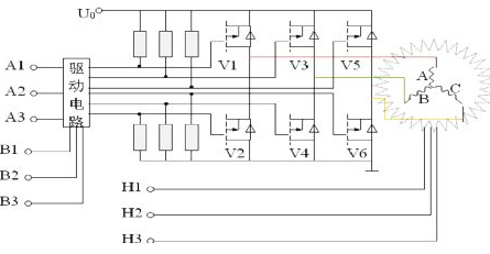
Application Examples of Feihong 4410】



FHP4410 Pin Diagram   

Hot Tags: Domestic FHP230N06VFHP230N06V domestic MOS tubeSubstitute IPP030N10N3GSubstitute IXFK94N50P2

FHP4410Product Application Articles

Feihong Semiconductor focuses on R & D and production of power devices

MOS FET/IGBT Single Tube/Diode/Triode

Free sample:feihongbcok@gmail.com

WeChat sweep, direct communication!

Related Product recommend

  • FHD120N03B

    Free sample
    Join List
  • FHP80N07L

    Free sample
    Join List
  • FHA70N20W

    Free sample
    Join List
  • FHP80N07G/FHS80N07G/FHD80N07G

    Free sample
    Join List
  • FHP3773W/FHF3773W/FHA3773W

    Free sample
    Join List
  • FHA260W

    Free sample
    Join List
  • FHP3205C/FHD3205C

    Free sample
    Join List
  • FHP10N50W/FHF10N50W/FHD10N50W

    Free sample
    Join List
  • FHD30N06LA/FHU30N06LA

    Free sample
    Join List
  • FHA60R075AF

    Free sample
    Join List
  • FHP180N08V

    Free sample
    Join List
    • Company Name:Guangzhou Feihong Semiconductor Technology Co., Ltd

      Company Address:Room 18B01, 232-258 Zhongshan 6th Road, Guangzhou

      Telephone:+86 19120088586

      e-mail:feihongbcok@gmail.com

      WeChat sweep, direct communication!

      Feihong Semiconductor has provided one-stop MOS tube solutions for enterprises in the field of 10000 electronics. | e-mail : feihongbcok@gmail.com

      Click to apply
      Free sample