【FHA25T120A product type】
Trench groove gate turn-off IGBT
【FHA25T120AProduct description】
FHA25T120A is a trench groove gate turn-off IGBT. It uses Trench Field stop technology and optimized processes to achieve an extremely low VCEsat saturation voltage drop, and makes a good trade-off between conduction loss and switching loss (Eoff). The excellent on-state voltage drop and extremely short tail current provide strong assistance for customers in optimizing system efficiency. It is widely applicable to various soft and hard switch photovoltaic inverters, UPS, welding machines, etc., and can be used at a switching frequency of 1~40KHz.
【FHA25T120AProduct features】
High reliability, with reverse parallel fast recovery diode, Trench Field Stop technology (very short tail current, excellent Vcesat saturation voltage drop, low off-state loss), positive temperature coefficient, Tjmax=175℃, switching frequency fsw=40KHz
【 FHA25T120AApplication examples】
1、Solar Inverter(Photovoltaic Inverter)
FHA25T120A can be used in the three-phase full-bridge inverter topology shown in the figure below.

2、UPS
FHA25T120A can be used as PFC and full-bridge IGBT inverter in the principle shown in the figure below.

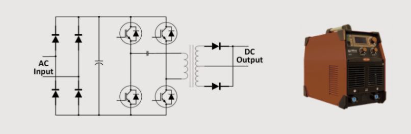
3、Welding Machine
FHA25T120A can be used in the full-bridge topology shown in the figure below.

4、PFC
As single IGBT for PFC in UPS