【FHA60T65A product type】
N-channel trench gate IGBT
【FHA60T65Aproduct description】
FHA60T65A is a field N-channel trench gate IGBT, using Trench Field stop technology and optimized processes to achieve an extremely low VCEsat saturation voltage drop, and make a good trade-off between conduction loss and turn-off loss (Eoff). The excellent on-state voltage drop and very short tail current provide strong support for customers in optimizing system efficiency, and it is widely applicable to various soft and hard switching and PFC circuits of high-frequency vehicle AC220V inverters, photovoltaic inverters, outdoor energy storage power supplies, UPS, arc welding machines, etc., with a switch frequency range of 1~60KHz.
Other IGBT tube brand alternative models: FGH60N60SMD IGBT tube
【FHA60T65Aproduct features】
High reliability, reverse parallel fast recovery diode, Trench Field Stop technology (very short tail current, excellent Vcesat saturation voltage drop, low turn-off loss), positive temperature coefficient.
【 FHA60T65Aapplication examples】
1、 FHA60T65A applied in the sine wave inverter for high frequency vehicle AC220V output
2KW-3KW model:Use 4 FHA60T65A in the full bridge topology of the inverter
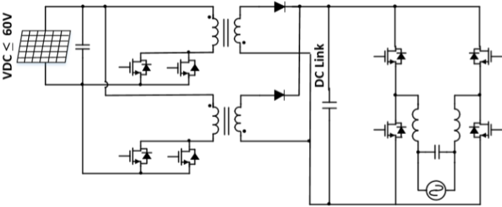
2、FHA60T65A applied in the photovoltaic inverter, also called solar inverter
Micro-inverter:3KW model uses 4 FHA60T65A in the full bridge topology
Single-phase string inverter:Front-end boost (Single Boost)

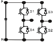
Single-phase string inverter:Back-end inverter (Two-level)
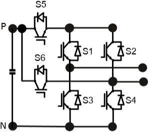
Single-phase string inverter: Back-end inverter (Heric)
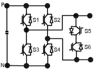
Single-phase string inverter: Back-end inverter (H6)
3、FHA60T65A applied in the arc welding machine
Four IGBTs form one full bridge, and according to power requirements, some schemes will be paralleled to increase power, starting from a multiple of 2
4、FHA60T65Aapplied inoutdoor energy storage power supply (inverter module)
The principle is the same as the vehicle sine wave inverter, see the sine wave inverter with AC220V output above
2KW-3KW model,for temperature rise requirements, some 3KW models will use 75T65
5、FHA60T65Aapplied inUPS (inverter module)
Industrial frequency inverter and high frequency inverter are also full bridge topology, four IGBTs.