Welcome to Feihong Semiconductor official website, pure domestic IGBT e-mail: feihongbcok@gmail.com

FHA24N50W

Release time:2017-05-23 10:50:41

Industry generic name:FHA24N50A, KNH7650A, TSA24N50MR, FDA24N50, FDA24N50FWait

View Specifications >
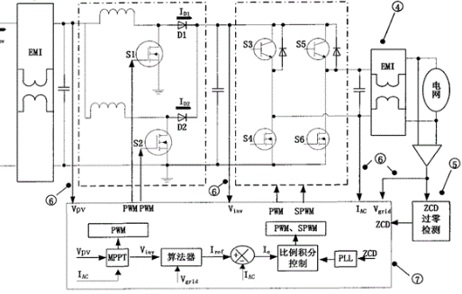
  • Feihong FHA24N50W,plane VDMOSFET, adopts planar process chip, has high impact resistance, is suitable for all kinds of switching power supplies, can be used in 1500W rated power inverter full bridge circuit structure, can support up to 2000W power, completely enough for 1500W rated power inverter, can completely replace Feihong's original FHA24N50B and ON FDA24N50/FDA24N50F model.

Obtain free product samples

Your salutation:
Contact Information:
Product sample:

Product Parameters

Part Number Polarity Package Vgs(±V) VTH(V) ID(A) BVdss(V) Rds(on)(Ω)
Model Polarity Encapsulation form Vgs=10v
(typ)
Vgs=10v
(max)
FHA24N50W
N
TO-3PN/247
30
2~4
24
500
0.17
0.2

Product Details


【Description of FHA24N50C】

Feihong FHA24N50W, plane VDMOSFET, adopts planar process chips, has high impact resistance capability, suitable for various switch power supplies, can be used in the full-bridge circuit structure of 1500W rated power inverter, and can support up to 2000W power. It is completely sufficient to be applied on the 1500W rated power inverter, and can completely replace the original Feihong FHA24N50B and ON FDA24N50/FDA24N50F models.


Characteristics of FHA24N50C

FHA24N50W, 100%EAS test, 100%Rg test, 100%DVDS thermal resistance test, low reverse transfer capacitance


Application Examples of FHA24N50C


FHA24N50C pin diagram     

Hot Tags: Domestic FHP230N06VSubstitute IXFK94N50P2IXFK94N50P2 model MOS tubeFHP230N06V domestic MOS tube

FHA24N50WProduct Application Articles

Why choose Feihong

omni-directionalmarketing service system,15+YearFAEExperience technical support

Feihong Semiconductor focuses on R & D and production of power devices

MOS FET/IGBT Single Tube/Diode/Triode

Free sample:feihongbcok@gmail.com

WeChat sweep, direct communication!

Plane MOSFET Product Application Articlesmore>
Common Circuit Solutionsmore>

Related Product recommend

  • FHD80N08C

    Free sample
    Join List
  • FHP12N60D/FHF12N60D

    Free sample
    Join List
  • FHA50N50W

    Free sample
    Join List
  • FHA60R099AF

    Free sample
    Join List
  • FHA40N65W

    Free sample
    Join List
  • FHP33N25W/FHF33N25W/FHA33N25W

    Free sample
    Join List
  • FHP3205C/FHD3205C

    Free sample
    Join List
  • FHP100N08B/FHD100N08B

    Free sample
    Join List
  • FHP25N40W/FHA25N40W

    Free sample
    Join List
  • FHP180N08V

    Free sample
    Join List
  • FHP150N04A

    Free sample
    Join List
  • FHA65N25W

    Free sample
    Join List
  • FHA30N65W

    Free sample
    Join List
    • Feihong Semiconductor has provided one-stop MOS tube solutions for enterprises in the field of 10000 electronics. | e-mail : feihongbcok@gmail.com
      Feihong Semiconductor has provided one-stop MOS tube solutions for enterprises in the field of 10000 electronics. 关闭

      put it away

      Click to apply
      Free sample