Welcome to Feihong Semiconductor official website, pure domestic IGBT e-mail: feihongbcok@gmail.com

FHP150N03B/FHS150N03B/FHD150N03B

Release time:2021-10-12 14:21:56

Industry generic name:150N03Wait

View Specifications >
  • Feihong 150N03C adopts advanced trench technology to obtain excellent FOM(RDSon * Qg), which is widely used in UPS, lithium battery protection board, load switch, electric tools and other motor drive control. Other mos tube brand replacement model: 150N03.

Obtain free product samples

Your salutation:
Contact Information:
Product sample:

Product Parameters

Part Number Polarity Package Vgs(±V) VTH(V) ID(A) BVdss(V) Rds(on)(Ω)
Model Polarity Encapsulation form Vgs=10v
(typ)
Vgs=10v
(max)
Vgs=4.5v
(typ)
Vgs=4.5v
(max)
FHP150N03B/FHS150N03B/FHD150N03B
N
TO-220 TO-263 TO-252
20
1.2~2.5
150
30
2.2
3
3.3
4.8

Product Details

【Feihong 150N03C Product Description

Feihong 150N03C, N-channel Trench MOSFET, uses advanced trench technology to achieve excellent FOM (RDSon*Qg), widely used in UPS, lithium battery protection boards, load switches, power tools and other motor drive controlsOther MOSFET brand alternative models: 150N03.


Feihong 150N03C Product Features

Feihong 150N03C, 100% EAS test, 100% Rg test, 100% DVDS test, high avalanche tolerance, high reliability, low Qgd, low RDSon.


Feihong 150N03C Application Examples】


1、TO-252/263 products are suitable for BMS----12V/3-series lithium battery protection boards, MOS performs charge and discharge protection functions.

Lithium battery protection board mos tube   



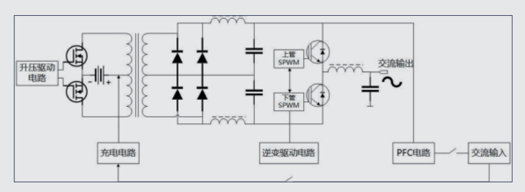
2、The online UPS is mainly divided into PFC, charging, boost, inverter and other functional parts: the boost part adopts low-voltage high-current tubes, and the main models used include FHP150N03, FHP3205, FHP3710, FHP4410, etc.

Online UPS mos tube


Hot Tags: Substitute IPP030N10N3GDomestic FHP230N06VFHP230N06V domestic MOS tubeCS160N06 | HY3906P | IRFB7537PBF

FHP150N03B/FHS150N03B/FHD150N03BProduct Application Articles

Why choose Feihong

omni-directionalmarketing service system,15+YearFAEExperience technical support

Feihong Semiconductor focuses on R & D and production of power devices

MOS FET/IGBT Single Tube/Diode/Triode

Free sample:feihongbcok@gmail.com

WeChat sweep, direct communication!

Trench MOSFET Product Application Articlemore>
related circuit solutionmore>

related product recommend

  • FHD120N03B

    Free sample
    Join List
  • FHA50N50W

    Free sample
    Join List
  • FHA30N60W

    Free sample
    Join List
  • FHP25N40W/FHA25N40W

    Free sample
    Join List
  • FHP38N20W

    Free sample
    Join List
  • FHP4310V

    success
    Free sample
    Join List
  • FHP20N65W/FHF20N65W/FHA20N65W

    Free sample
    Join List
  • FHF9N90B/FHA9N90B

    Free sample
    Join List
  • FHD80N08C

    Free sample
    Join List
  • FHP16N60A/FHF16N60A

    Free sample
    Join List
  • FHP20N50W/FHF20N50W/FHA20N50W

    Free sample
    Join List
  • FHA60R099AF

    Free sample
    Join List
    • Feihong Semiconductor has provided one-stop MOS tube solutions for enterprises in the field of 10000 electronics. | e-mail : feihongbcok@gmail.com
      Feihong Semiconductor has provided one-stop MOS tube solutions for enterprises in the field of 10000 electronics. 关闭

      put it away

      Click to apply
      Free sample