【Product Introduction】
13N50, an N-channel enhancement mode high voltage power MOSFET. This product is widely used in DC-AC power converters, DC-DC power converters, high voltage H-bridge PWM motor drivers, 500W inverter rear-end circuits/power supplies/UV lamp electronic ballasts.Compared with other MOSFET brands:TK12A50D;
【Product Features】
FHP13N50/FHF13N50, 13A, 500V, RDS(on) = 0.48Ω (max) @VGS = 10V low charge, low reverse transfer capacitance, fast switching speed, large chip size, overload impact resistance.
【Application Examples】
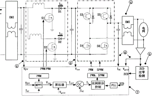
Inverter:

FHP/F13N50W is suitable for the full-bridge circuit of the inverter rear end that outputs corrected waves (Q3-Q6).
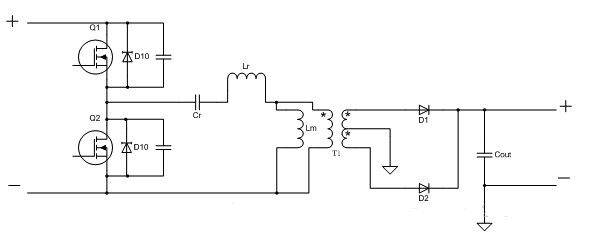
Switching Power Supply:

FHF13N50W is suitable for LLC topology and half-bridge switching power supplies (Q1-Q2).


【Product Advantages】
Good consistency, high reliability, high avalanche tolerance. Can replace the market standard model 13N50.