【FHL170N1F4A Product Type】
【FHL170N1F4AProduct Description】
FHL series products adopt the TOLL-8L package form, which has the characteristics of small size, low internal resistance, low parasitic inductance, and low thermal resistance, suitable for high power density applications such as electric bicycles, electric motorcycles, electric sightseeing vehicles, lithium battery protection, communication power supplies, etc.
【FHL170N1F4AProduct Features】
Low on-resistance, supports smaller impedance and larger peak current.
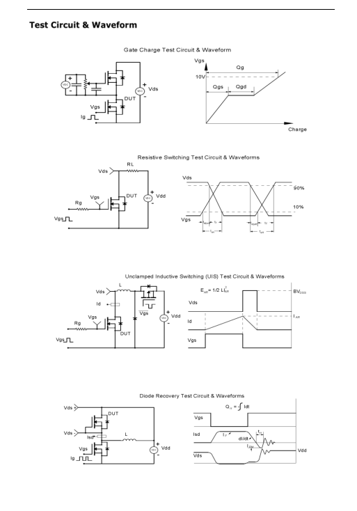
100% EAS test
100% DVDS thermal resistance test, lower thermal resistance, excellent temperature rise performance.
100% Rg test
Small package inductance, excellent EMI characteristics and reliability, meets industrial grade reliability requirements.
【FHL170N1F4AApplication Examples】
BMS

High Frequency Switching Power Supply:PD power supply, communication power supply, synchronous rectification
Motor Control:Electric bicycle, electric motorcycle, electric tricycle, electric four-wheel sightseeing vehicle, electric forklift
