When selecting a field-effect transistor for the auxiliary battery of an electric welder, five core requirements must be considered:
1. Voltage and current parameters: Choose a MOS tube with appropriate voltage and current capacity based on the circuit's working voltage and current requirements.
2. Switching speed: Select a MOS tube with sufficient switching speed to meet the dynamic response requirements of the electric welder.
3. On-resistance: Choose a MOS tube with low on-resistance to reduce power loss and heat generation.
4. Package form: Based on the layout of the circuit board and cooling requirements, choose an appropriate package form, such as TO-220, TO-247, etc.
5. Quality reliability: Choose a high-quality and reliable MOS tube to ensure the stable operation of the electric welder.

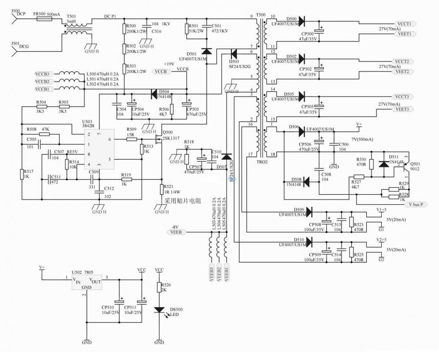
Currently, in addition to the 2SK1317 field-effect transistor meeting the requirements, there are also cost-effective pure domestic FHA3N150A field-effect transistors available for selection by auxiliary battery development engineers.
The core is that currently in the domestic market, the FHA3N150A model field-effect transistor can be perfectly used in the circuit of the electric welder auxiliary battery, which has been recognized by many manufacturers developing distribution box circuits. In addition to the basic parameters of 3A and 1500V, it also has excellent product characteristics:
1. Low on-resistance
2. High anti-dv/dt capability
3. Low Crss (typical value 32 pF)
4. 100% EAS test (strong impact resistance)
5. 100% DVDS thermal resistance test (good heat dissipation performance)
6. 100% Rg test
7. Meets industrial-grade reliability requirements

Of course, in addition to the excellent features of the product, FHA3N150A can replace the 2SK1317 high-voltage MOS tube model due to its superior parameters:
1. N-channel enhancement-mode field effect transistor
2. Maximum gate-source voltage Vgs (±V): ±30V; VGS(th): 2.0-4.0V;
3. Maximum pulse drain current (IDM): 12A
4. ID(A): 3A; BVdss(V): 1500V
5. TO-247 packaged product
6. Reverse transfer capacitance: 32pF
7. Static on-resistance RDS(ON): 5Ω(Typ), 6.5Ω(Max) (test conditions: VGS=10V, ID=1.5A)

Therefore, for those who want to select a replacement for the 2SK1317 field-effect transistor for use in the circuit of the electric welder auxiliary battery, it is recommended to directly choose the cost-effective FHA3N150A field-effect transistor.
Feihong Semiconductor provides professional products and one-stop service for power devices to electronic manufacturers, always starting from user needs.
Its good manufacturing process and parameter performance provide better compatibility for the circuit of the electric welder auxiliary battery, ensuring product reliability.
The rapid iteration of the domestic market and the improvement in product quality make choosing the right model very important. Feihong Semiconductor's MOS tubes have been widely applied in power circuits, smart home appliances, new energy electronics fields: such as smart speakers, household appliances, LED lighting, automotive electronics, electric scooters, chargers, computer power supplies, and other industries, providing high-quality products and supporting services to domestic electronic product manufacturers. In addition to free samples, they can also customize MOS tube products according to customer needs. Simply search for "Feihong Semiconductor" on Baidu to find us. Free sample hotline: 400-831-6077.
