The electric motorcycle controller is the key to controlling motor movement, and it often has functions such as anti-flycar feature and 1+1 assist feature in electric motorcycles. The field effect transistor directly affects its operational performance.
How should an electric motorcycle factory select a field effect transistor manufacturer to obtain suitable field effect transistors for the controller?
Dedicated and focused, the FHEEON Semiconductor Field Effect Transistor Factory received an inquiry from General Rong of Han Cheng.
According to the description: The circuit of the electric motorcycle manufacturer previously used the Magna field effect transistor brand. Under the current situation, they hope to explore domestic field effect transistor factories to provide FHP100N8F6A model field effect transistors to replace the Magna field effect transistors in the braking control circuit.
From this, it can be concluded that the inquiry to the FHEEON field effect transistor factory expects them to provide a domestic field effect transistor supply solution suitable for use in the braking control circuit.
After understanding, the FHEEON Semiconductor Field Effect Transistor Factory immediately arranged the team according to General Rong's needs.
A domestically produced field effect transistor that is properly positioned and suitable for use in the braking control circuit has been arranged, with parameters such as high frequency, packaging, capacitance, etc., that can replace the Magna field effect transistor products.
Taking into account Mr. Rong's actual situation, it is recommended to use the FHP100N8F6A model field effect transistor in the braking control circuit.

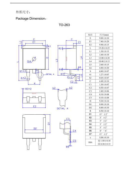
The FHP100N8F6A model product has the characteristic of low RDSon, making it very suitable for use in the braking control circuit. Importantly, the customer has a very high recognition of the FHP100N8F6A model field effect transistor, a powerful field effect transistor all-star product!
Finally, the Han Cheng FHEEON Semiconductor Field Effect Transistor Factory successfully addressed General Rong's field effect transistor supply demand.
After sampling, General Rong explained the reasons for selecting FHEEON Semiconductor:
To find the FHP100N8F6A model field effect transistor in Han Cheng to enhance the performance of the braking control circuit, General Rong of the Han Cheng braking control circuit manufacturer chose FHEEON Semiconductor due to their good service.
FHEEON Semiconductor provides direct sales services for domestic field effect transistor manufacturers, solving the field effect transistors required by the electric motorcycle controller. Moreover, the wholesale price of domestic field effect transistors is reasonable.
General Rong said that FHEEON Semiconductor's service attitude is thorough, thoughtful, warm and attentive, allowing customers to feel at ease and comfortable entrusting them with the supply of custom FHP100N8F6A model field effect transistors.
The domestically produced FHP100N8F6A model can be specifically used for braking control circuits. The FHEEON Semiconductor Field Effect Transistor Factory is dedicated to providing solid component supply guarantees for electronic manufacturers such as electric motorcycles, smartphones, wireless chargers, smart locks, etc. For more details, you can search "FHEEON Semiconductor" on Baidu or call the free trial hotline: 400-831-6077!